当前位置:首页 > 工作动态 > 通知公告

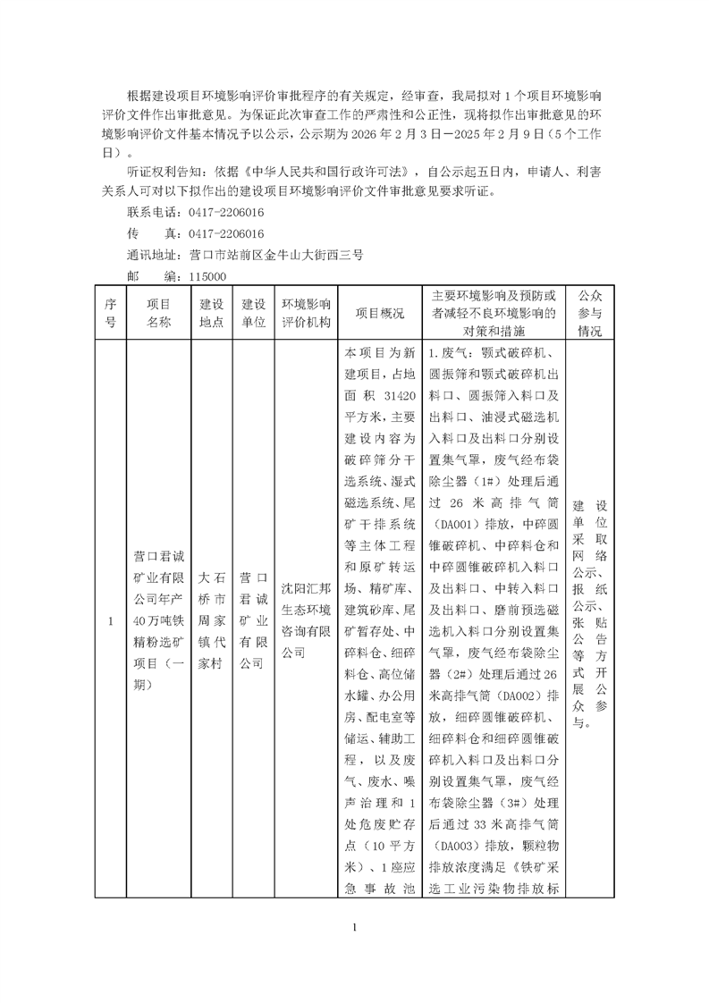
营口市生态环境局关于2026年2月3日拟作出的环境影响评价文件审批意见的公示

来源:营口市生态环境局

作者:

发布时间:2026-02-03

【字号:

分享:

  • 附件:
  • 视频:
扫一扫在手机打开当前页